>>トップページ >>引き違い戸錠/引き戸錠/ネジ締り・補助錠 >>[美和ロック] 静音引戸鎌錠
- 引き違い戸錠/引き戸錠
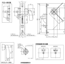
- [美和ロック] 静音引戸鎌錠
特長
静音性に優れた堅牢な引戸鎌錠です。
誤操作防止のトリガーボルト付
トリガーボルトが付いているため、戸が開いた状態で施錠されることはありません。
表示装置・非常開装置・大型サムターン付き
用途
居室、オフィス、トイレ、門扉など
静音性に優れた堅牢な引戸鎌錠です。
誤操作防止のトリガーボルト付
トリガーボルトが付いているため、戸が開いた状態で施錠されることはありません。
表示装置・非常開装置・大型サムターン付き
用途
居室、オフィス、トイレ、門扉など





大型非常開装置タイプ